• Product
  • Suppliers
  • Manufacturers
  • Solutions
  • Free tools
  • Knowledges
  • Experts
  • Communities
Search


Free Expert Guides on Power Systems, Circuit Design & Electrical Troubleshooting

Access free engineering resources from IEE Business—covering power design, circuit layout, equipment selection, and troubleshooting. Expert-developed guides help engineers, procurement, and project teams make better decisions. Stay ahead on smart grids, renewables, efficiency, and AI tools. Improve reliability, reduce downtime, and enhance outcomes with real-world solutions. Explore our knowledge hub today.
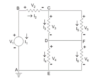
Tellegen Theorem
This theorem has been introduced in the year of 1952 by Dutch Electrical Engineer Bernard D.H. Tellegen. This is a very useful theorem in network analysis. According to Tellegen theorem, the summation of instantaneous powers for the n number of branches in an electrical network is zero. Are you confused? Let’s explain. Suppose n number of branches in an electrical network have i1, i2, i3, …………. in respective instantaneous currents through them. These currents satisfy Kirchhoff’s Current Law.Agai
03/12/2024
Consult
Tip
Consult
Tip
Send inquiry
+86
Click to upload file
Download
Get the IEE Business Application
Use the IEE-Business app to find equipment, obtain solutions, connect with experts, and participate in industry collaboration anytime, anywhere—fully supporting the development of your power projects and business.